三、子宫颈原位癌《病理学》

三、子宫颈原位癌

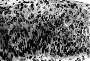
子宫颈原位(carcinoma in situ)细胞局限于上皮全层内、尚未穿破上皮基底膜侵入下方固有膜。子宫颈原位的异型细胞比不典型增生者更具显着的多形性。镜下,上皮层完全为细胞所取代,细胞大小、形状不一,呈圆形、卵圆形、梭形,偶见巨核、多核,排列紊乱,层次不清,极向消失。核大浓染、大小及形状不一、染色质增粗,核分裂像常见,并有病理性核分裂像。胞浆相对减少,核浆比值增大(图13-3)。原位细胞可由表面沿基底膜伸入腺体内,致整个腺管或其一部分为细胞所取代,但腺管轮廓尚存,腺体基底膜完整,细胞未浸润到固有膜。这种变化称原位累及腺体。原位累及腺体并不一定发展为浸润。部分子宫颈原位可长期不发生浸润,个别病例甚至可自行消退。但由于原位特别是原位累及腺体具有发展为浸润的倾向,故一旦发现,应及时给予适当治疗。

子宫颈原位<a href=癌"/>

图13-3 子宫颈原位

变限于上皮层内,细胞核肥大、深染,大小不一,形态不规则,核仁明显,核分裂像易见,且见巨细胞(右侧上方),这种细胞间变累及上皮全层,但基底膜完整,细胞未浸润到基底膜下间质

由于重度不典型增生和原位没有明显界限,有学者将不同程度的不典型增生和原位统称为宫颈上皮内新生物(cervical intraepithelial neoplasm,CIN)。Ⅰ级(轻度)不典型增生为CINⅠ。Ⅱ级(中度)不典型增生为CINⅡ。Ⅲ级(重度)不典型增生及原位为CINⅢ。他们认为这些病变是有连续关系的,只是在程度上不同而已。这一组病变是处于正常鳞状上皮和浸润之间的变化阶段。上皮的不典型增生-原位-浸润是一个逐渐连续发展的过程。但并非所有子宫颈浸润的形成均必须通过这一过程,也不是所有的上皮不典型增生均必然发展为子宫颈前病变具有进展性和可逆性,决定于病变的范围及程度。

上一页:二、子宫颈上皮不典型增生
当前页:三、子宫颈原位癌
下一页:四、子宫颈癌

返回目录